Training Echtzeit Programmierung für RTOS-Systeme

als "Hybrid Training" : Remote- oder Präsenz-Teilnahme

 

Grundlagen der Echtzeit-Programmierung
mit Hands-On-Lab

Kursdauer: 1 Tag

Termine und Preise   ProfiNET Training Termine
Anmeldeformular ProfiNET Training Anmeldung
Agenda ProfiNET Training Agenda
Anrufen Impressum
  Echtzeit Technologie
Cyclic based Real-Time
Ereignis gesteuerte Echtzeit
Echtzeit Software
Entwicklungs-Plattformen
Entwicklungs-Werkzeuge
Zugriffe auf Hardware-Resourcen in Echtzeit
DMA und Echtzeit
Echtzeit-Debugger und -Sequencer
Echtzeit System-Analyse
Notbetrieb
Transportschichten
Protokollschichten
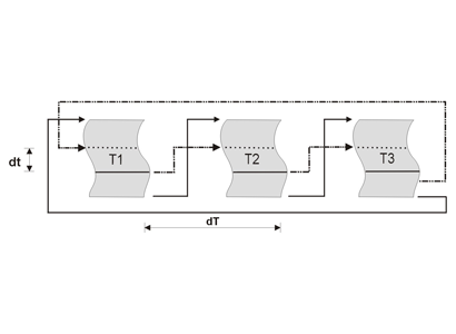
Latenzzeit und Jitter
Plattform Einfluss
Echtzeit Training (Schulung)
Echtzeit Treiber Training Software  

Echtzeit Entwicklungsumgebung

  Echtzeit Werkzeuge Echtzeit Treiber Training Tools training software
Echtzeit Training und Schulungsanforderungen   Für den Echtzeit Kurs sind Kenntnisse in der C/C++ Programmierung erforderlich
  Die Schulung findet als "Hybrid-Training" (remote oder klassisch) statt. Sybera bietet diese Schulung auch als Inhouse-Seminar vor Ort beim Kunden an

 

Echtzeit Schulungs- und Trainingsraum

Schulung zur Echtzeit Programmierung für RTOS-Systeme

In der modernen Industrie sind Echtzeitsysteme das Herzstück kritischer Anwendungen, von der industriellen Automatisierung bis zur Medizintechnik. Die Beherrschung der deterministischen Echtzeit-Programmierung ist daher eine Schlüsselqualifikation für jeden ambitionierten Entwickler. Nur wer die Mechanismen und Herausforderungen der zeitkritischen Systementwicklung versteht, kann Programme mit hoher Performance und minimalem Jitter erstellen.

Ziel des Trainings

Dieses Training vermittelt die fundierten Grundlagen der Echtzeit-Technologie, der internen Abläufe und der Echtzeit-Programmierung. Das Hauptziel des eintägigen Kurses ist es, die Teilnehmer so zu qualifizieren, dass sie in der Lage sind, mit einer entsprechenden Entwicklungsumgebung zeitkritische Abläufe programmtechnisch korrekt umzusetzen und die Performance ihrer Echtzeit-Programme hinsichtlich kritischer Faktoren wie Latenzzeit und Jitter zu analysieren und zu optimieren.

Inhalte des Trainings

Der Kurs behandelt umfassend die Grundlagen der Echtzeit-Softwareentwicklung. Die Teilnehmer lernen die Unterscheidung und Funktionsweise von Cyclic based und Ereignis gesteuerter Echtzeit kennen. Im Fokus stehen die Echtzeit-Systemprogrammierung, einschließlich des korrekten Zugriffs auf Hardware-Ressourcen – ein kritischer Punkt, der auch die Nutzung von DMA (Direct Memory Access) einschließt. Weiterhin wird der Umgang mit spezialisierten Echtzeit-Debugger und Echtzeit-Sequencer gelehrt, um die Echtzeit System-Analyse zu beherrschen. Zusätzlich werden die Konzepte hinter Entwicklungs-Plattformen und -Werkzeugen, sowie die Bedeutung von Transportschichten, Protokollschichten und Strategien für den Notbetrieb detailliert erläutert.

Für wen ist das Ethercat-Training geeignet?

Die Schulung zur Echtzeit-Programmierung richtet sich primär an Systemprogrammierer und Software-Entwickler, die entweder neu in die Materie der deterministischen Echtzeit-Systeme einsteigen oder ihr bestehendes Fachwissen vertiefen möchten. Voraussetzung für eine erfolgreiche Teilnahme an dem Training sind Kenntnisse in der C/C++ Programmierung.

Schulungsformate

Das Training wird im Hybrid-Format angeboten: Remote, Präsenz oder Inhouse beim Kunden und ermöglicht das flexible Lernen unabhängig vom Standort. Präsenzschulungen bei Sybera bieten eine interaktive Umgebung und den Austausch mit anderen Teilnehmern. In-House-Trainings können zudem individuell auf Unternehmensprojekte und spezifische Anforderungen zugeschnitten werden.

Dieses EtherCAT-Training ist hersteller-unabhängig und vermittelt fundiertes Fachwissen, das zur stabilen, effizienten und leistungsfähigen Nutzung von EtherCAT-Netzwerken in Automatisierungsprojekten beiträgt.